CQB-G型高温保温磁力驱动离心泵(简称高温磁力泵)由电机,磁力偶合器水冷却装置和耐腐蚀离心泵四大部分组成,其主要特点是利用磁力偶合器传递动力,无泄漏。当电动机带动磁力偶合器的外磁钢旋转时,磁力线穿过了间隙和隔离套,作用与内磁钢上,使泵转子与电动机同步旋转,无机械接触地传递扭矩。在泵的动力输入端,由于液体被封闭在静止的隔离套内,没有动密封因而无泄漏,磁力偶合器的磁性材料采用了高温介质而保持强大的磁力扭矩。在电机与磁力偶合器之间加装了水冷却装置,防止泵送高温介质之热量传导至电机。以保持电机的正常运转,从而达到无泄露输送高温介质。
CQB-G型高温保温泵采用多重循环冷却结构,保证了原动力和磁传动的可靠性和稳定性,同时采用柱销联轴器减少了泵的噪音和震动,便拆式和柱销联轴器同时使用,使泵的结构增长,更有利于泵的散热。同时,也十分方便用户的维修或更换零件,在泵的外转子部分还设计了散热风叶,确保磁钢的稳定性。本系列泵适用于输送高温介质,温度=300℃。
CQB-G高温磁力泵广泛应用与石油、化工、冶金、食品、水处理、国防、制药、电镀、环保等行业,是输送高温类易燃、易爆、挥发、有毒、稀有贵重液体和腐蚀性液体的设备。适用于输送系统工作压力小于1.6MPA,温度不超过100度,密度不大雨1600KG/M,粘度不大于30的不含硬颗粒和纤维的液体。
CQB-G高温磁力泵,适用于输送系统工作压力小于1.6MPa,温度不超过280度,密度不大于1840kg/m3,粘度不大于30cm2/S的不喊硬颗粒和纤维的液体
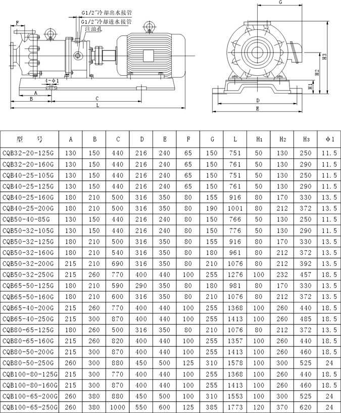
型号意义

结构示意

安装使用与维护
安装和调试
1、高温磁力泵应水平安装,开车前应检查冷却箱之润滑油油位,若油位过低时应及时补充。开泵前,首先应打开冷却水回路,进水管路阀门的开启度应根据泵正常工作后冷却出水管的温度进行调节。
2、当抽吸液面高于泵轴心线时,起动前打开吸入管道阀门即可,若抽吸液面低于泵轴心线时,管道需配备底阀。
3、泵使用前应进行检查,电机风叶转动要灵活,无卡住及异常声响,各紧固件要紧固。
4、检查电机旋转方向是否与磁力泵转向标记一致。
5、电机启动后,缓慢打开排出阀,待泵进入正常工作状态后,再将排出阀调到所需开度。
6、泵停止工作前,应先关闭排出阀门,然后切断电源,再关闭冷却水管阀门。
使用注意事项
1、因磁力泵轴承的冷却和润滑是靠被输送的介质,所以绝对禁止止空转,同时避免在工作中途停电后再启动时所造成时空载运转。
2、被输送介质中,若含有固体颗粒,泵入口要加过滤网;如含有铁磁质微粒,需加磁性过滤器。
3、被输送的介质及其温度应在泵材允许范围内。泵的使用温度<280℃,最大工作压力1.6MPa,密度不大于1840kg/m3,粘度不大于30cm2/S的不含硬颗粒和纤维的液体。特殊工况应严格按合同协议规定。
4、对于输送液为易沉淀结晶的介质,使用后应及时清洗,排净泵内积液
5、磁力泵正常运行1000小时后,应拆检轴承和端面动环的磨损情况,并更换不宜再用的易损件。
6、本系列泵内外磁性联轴器采用高性能永磁材料,可能对下列器件产生潜在危害,表将下列器件与本系列泵保持距离。如:心脏起博器、信用卡及其它磁卡、计算器、计算机磁盘、手表等。
安装尺寸

